- Local time
- 11:00 PM
- User ID
- 714
- Joined
- Jan 28, 2016
- Messages
- 3,962
- Reaction score
- 28,071
- Location
- Dike, Iowa
Maybe when they get the final bill they will rethink leaving off such things and expecting miracles...
I like all the ones without chainbrakes!! Was that from an estate sale?A friend of mine stopped by this afternoon to show me his latest haul.
That is a bummer, looks like he enjoyed the saws while he had them!!In a sense, yes. Younger fellow (around 50) passed away quite unexpectedly.
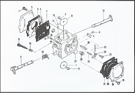
Is this the boot you are missing?Well fellas,there's something amuck I have a weird SP60.The IPLs I have show there should be a boot/grommet for the needles,plus there's supposed to be an idle screw,my saw has neither.










Glad to hear that you were able to get it dialed in!Apparently the idle is set with the lo needle.I set the needles to 1 1/2 turns out from seating & it fired up but ran a tad fast,so I turned out the lo about another 1/4 turn & it runs perfectly.

That is a SDC 49...




